CN
Product Center
Current Location: Home - Product Center - Permanent magnet DC worm gear reduction motor - 90JW/60JX/60ZY
90JW/60JX/60ZY
Description of The ProductMixed configuration, 60OD planetary gearbox and 600D PMDC motor are equipp...
  • Permanent magnet DC worm gear reduction motor

  • 90JW/60JX/60ZY

  • Allowable torque range: 20 n.m



product details
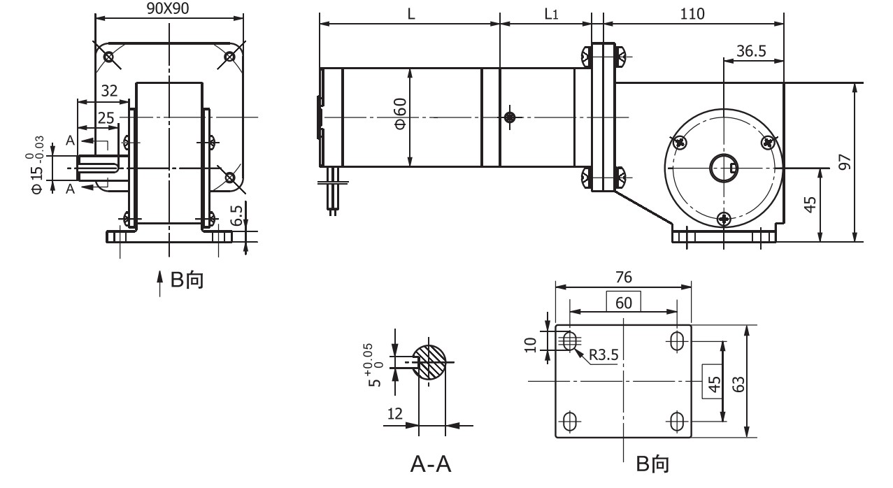
Outline reference diagram
  • Description of The Product

Mixed configuration, 60OD planetary gearbox and 600D PMDC motor are equipped at the front of worm gearbox to increase total drive ratio and achieve lower speed. Total ratio equals to the product of the two gear ratios.


  • Gear Motor Technical Data

    Rated speed (r/min)

     

    14

     

    11

     

    8

     

    6

     

    4

     

    2

    Rated torque (N.m)

    9

    12

    20

    20

    20

    20


    Worm Gearbox Ratio

    1:25

    1:32

    1:25

    1:25

    1:25

    1:25


    Planetary Gearbox Ratio

     

    1:4.25

     

    1:4.25

     

    1:13

     

    1:18

     

    1:15

     

    1:47


    Combined Ratio

     

    1:106

     

    1:136

     

    1:325

     

    1:450

     

    1:375

     

    1:1175

    DC motor

     

    60ZY105-2420

     

    60ZY105-2420

     

    60ZY105-2430

     

    60ZY105-2430

     

    60ZY105-2420

     

    60ZY75-2430

     L (mm)

    Motor Length

     

    110

     

    110

     

    110

     

    110

     

    110

     

    80

     L1 (mm)

    Planetary Gearbox Length

     

    45.5

     

    45.5

     

    45.5

     

    45.5

     

    45.5

     

    56.5



图片5.png

说明:产品出厂时左出轴是常规配置,如要求右出轴需在订货时特别说明。

Remarks:Standard product is left output shaft, right output shaft is available upon request.


product recommendation
product recommendation
90JW/JB/80ZY115

Permanent magnet DC worm gear reduction motor

90JW/JB/80ZY115

Allowable torque range: 20 n.m


View details
63JW/63ZY105

Three-phase worm gear reduction motor 40-90W

63JW/63ZY105

Allowable torque range: 20 n.m


View details
90JW/83ZY125

Permanent magnet DC worm gear reduction motor

90JW/83ZY125

Allowable torque range: 20 n.m


View details
63JW/63ZY125

Permanent magnet DC worm gear reduction motor

63JW/63ZY125

Allowable torque range: 8 n.m


View details
Online Service