CN
Product Center
Current Location: Home - Product Center - Permanent magnet DC worm gear reduction motor - 63JW/63ZY105
63JW/63ZY105
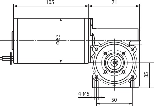
 Description of The Product1、Suitable application: gearbox and motor output shafts form a right...
  • Three-phase worm gear reduction motor 40-90W

  • 63JW/63ZY105

  • Allowable torque range: 20 n.m



product details
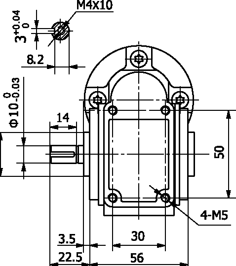
Outline reference diagram
  •  Description of The Product

1、Suitable application: gearbox and motor output shafts form a right angle. 

2、12VDC is available, motor speed is adjustable upon request.

3、Encoder & brake is available upon request.


  • Motor Technical Data

Type

Rated 

voltage VDC

No-load 

speed

 r/min

No-load 

current

A

Rated 

speed 

r/min

Rated 

Torque 

N.m

Output 

power

W

Rated 

current

A

Stall 

Torque 

N.m

Stall 

current

A

63ZY105-2420

24

2000

0.32

1550

0.125

20

1.6

0.55

6.0

63ZY105-2430

24

3000

0.40

2500

0.120

30

2.2

0.72

10.8


  • Gear Motor Technical Data

63ZY105-2420 DC Motor

Reduction ratio

50

30

15

10

 Number of threads

1

1

2

3

No-load speed r/min

40

66

133

200

 Rated speed r/min

31

51

103

250

Rated torque N.m

4.3

2.6

1.5

0.85

Permissible load N.m

10

8.0

5.0

3.0


63ZY105-2430 DC Motor

Reduction ratio

50

30

15

10

Number of threads

1

1

2

3

No-load speed r/min

60

100

200

300

Rated speed r/min

50

83

166

250

Rated torque N.m

4.3

2.6

1.5

0.85

Permissible load N.m

10

8.0

5.0

3.0



图片1.png              图片2.png

product recommendation
product recommendation
90JW/JB/80ZY115

Permanent magnet DC worm gear reduction motor

90JW/JB/80ZY115

Allowable torque range: 20 n.m


View details
63JW/63ZY125

Permanent magnet DC worm gear reduction motor

63JW/63ZY125

Allowable torque range: 8 n.m


View details
90JW/60JX/60ZY

Permanent magnet DC worm gear reduction motor

90JW/60JX/60ZY

Allowable torque range: 20 n.m


View details
90JW/83ZY125

Permanent magnet DC worm gear reduction motor

90JW/83ZY125

Allowable torque range: 20 n.m


View details
Online Service