CN
Product Center
Current Location: Home - Product Center - DC motor - 52ZY125
52ZY125
 Description of The Product 52MM OD PMDC motor, totally enclosed, used in occasions which ...
product details
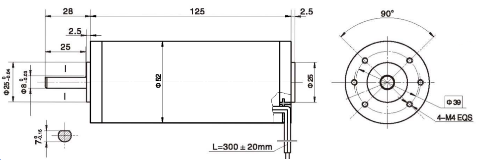
Outline reference diagram
  •  Description of The Product 

52MM OD PMDC motor, totally enclosed, used in occasions which require motors with low noise


  • Motor Technical Data



    TYPE


    Rated 

    voltage 

    VDC


    No-load

    speed r/min


    No-load 

    current

    A


    Rated 

    Speed 

    r/min


    Rated 

    torque 

    mN.m


    Output 

    Power

    W


    Rated 

    current

    A


    Stall 

    torque 

    mN.m


    Stall 

    Current

    A

    52ZY125-2420

    24

    2000

    0.40

    1600

    160

    30

    2.0

    620

    6.5

    52ZY125-2430

    24

    3000

    0.60

    2400

    190

    50

    3.5

    700

    11.5

    52ZY125-2440

    24

    4000

    0.80

    3200

    220

    80

    4.5

    838

    16.4



image.png

product recommendation
product recommendation
Online Service