CN
Product Center
Current Location: Home - Product Center - DC motor - 45ZY78
45ZY78
Description of The Product45MM OD PMDC motor, totally enclosed, used in occasions which require moto...
product details
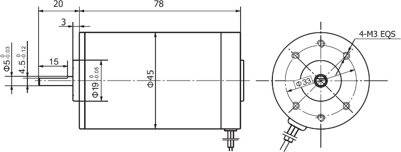
Outline reference diagram
  • Description of The Product

45MM OD PMDC motor, totally enclosed, used in occasions which require motors with low noise.


  • Motor Technical Data

Type

Rated 

Voltage 

DVC

No-load

speed 

r/min

No-load 

current

A

Rated

speed 

r/min

Rated

Torque 

mN.m

Output 

power

W

Rated 

current

A

Stall

Torque 

mN.m

Stall 

Current

A

45ZY78-2430

24

3000

0.22

2400

55

15

1.0

240

3.0

45ZY78-2440

24

4000

0.30

3200

70

23

1.5

310

4.8


图片2.png

product recommendation
product recommendation
Online Service