CN
Product Center
Current Location: Home - Product Center - Square gear reducer - 80CJB250K
80CJB250K
Gear Ratio ParameterParameterStage3Transmission efficiency73%Rated tolerance torque25N.mInput and ou...
Bearing at outputBall bearings
Max.Radial load(10mm from the shaft end)≤1500N
Max.shaft axial load≤600N
Radial play of shaft (near to flange)≤0.08mm
Axial play of shaft≤0.4mm
Backlash at no-load≤1.5°
Shaft press fit force,max≤2000N


product details
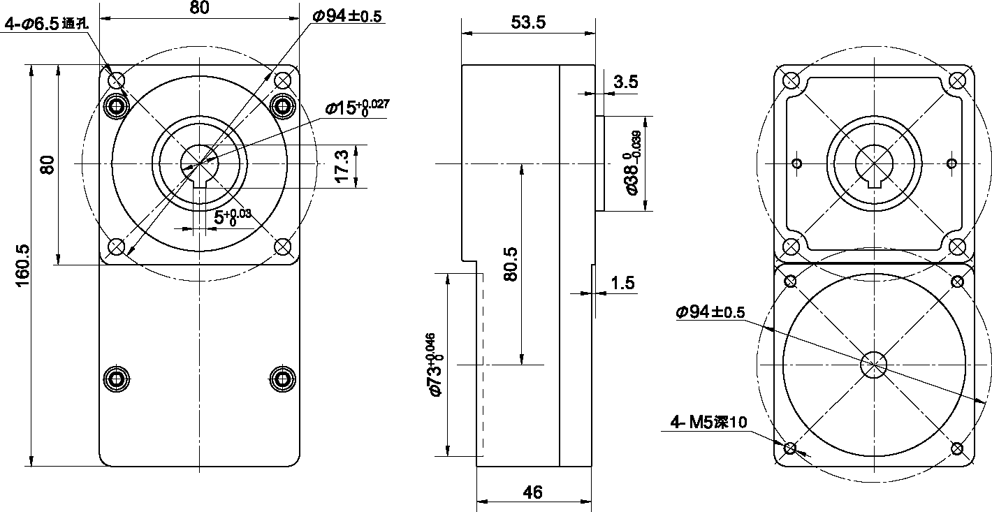
Outline reference diagram
  • Gear Ratio Parameter


Parameter

Stage3

Transmission efficiency

73%

Rated tolerance torque

25N.m

Input and output direction

Reverse direction

Max momentary tolerance torque

Two times of the rated torque

Operating temperature

-10℃ ~ +80℃

Operating ambient humidity

20% 〜85%RH

Recommend input speed

≤3000rpm


  • Motor matching scheme

Module

No.of teeth

Stages



5

10

15

20

30

50

100

200


图片1.png

product recommendation
product recommendation
60CJB50K

60mm square gear reducer

Allowable torque range :5 n.m


View details
90JB200K

90mm square gear reducer

Allowable torque range :20 n.m


View details
80JB100K

80mm square gear reducer

Allowable torque range: 10 n.m


View details
42JB30K

42mm square gear reducer

Allowable torque range :3 n.m


View details
Online Service