CN
Product Center
Current Location: Home - Product Center - Square gear reducer - 90JB200K
90JB200K
Gear Ratio ParameterGear Ratio(mm) Dimension二级 Stage23.6 ~1842三级Stage320 ~5060四级Staged60 ~200Pa...
Bearing at outputBall bearings
Max.Radialload(10mm from the shaft end)≤300N
Max. shaft axial load≤100N
Radial play of shaft (near to flange)≤0.08mm
Axial play of shaft≤0.4mm
Backlash at no-load≤3°
Shaft press fit force, max≤300N


product details
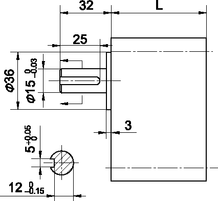
Outline reference diagram
  • Gear Ratio Parameter

Gear Ratio

(mm) Dimension

二级 Stage2

3.6 ~18

42

三级Stage3

20 ~50

60

四级Staged

60 ~200


Parameter

Stage2

Stage3

Stage4

Transmission efficiency

81%

73%

66%

Rated tolerance torque

5N.m

10N.m

20N.m

Input and output direction

Same direction

 Reverse direction

Same direction

Max momentary tolerance torque

Two times of the rated torque

Operating temperature

-10℃ ~ +80℃

Operating ambient humidity

20%  ~85%RH

Recommend input speed

≤3000rpm


  • Motor matching scheme


图片1.png


Stage2

Number of teeth

Stage2

Stages

Stage4

0.8

10

3.6



5






7.5



9



10



12.5



15



0.6

10


18

40


20

50


25

60


30

75


36

90



100



120



150



180


图片2.png图片3.png

product recommendation
product recommendation
60CJB50K

60mm square gear reducer

Allowable torque range :5 n.m


View details
42JB30K

42mm square gear reducer

Allowable torque range :3 n.m


View details
90CJB400K

90mm square gear reducer

Allowable torque range :40 n.m


View details
70JB80K

70mm square gear reducer

Allowable torque range :8 n.m


View details
Online Service