Current Location:
Home
-
Product Center
-
Permanent magnet DC planetary gear reduction motor
-
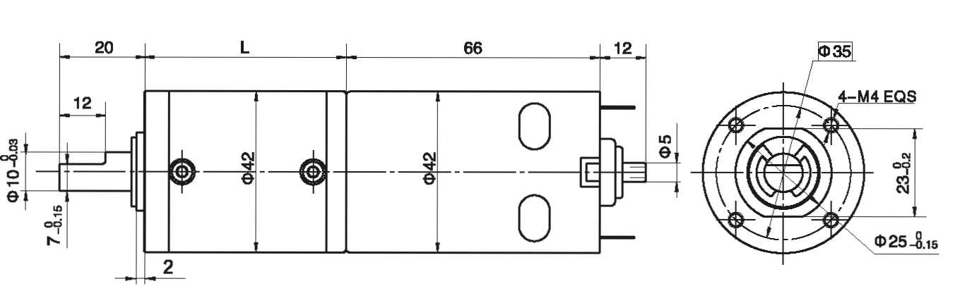
42JX150K/42ZY66
Motor Technical Data
TYPE | Rated voltage VDC | No-load speed r/min | No-load current A | Rated speed r/min | Rated torque mN.m | Output power W | Rated current A | Stall Torque mN.m | Stall current A |
42ZY66-1257 | 12 | 5700 | 0.8 | 4800 | 45 | 25 | 3.0 | 280 | 15.2 |
42ZY66-1277 | 12 | 7700 | 1.3 | 6500 | 65 | 35 | 5.0 | 240 | 20.5 |
Gear Motor Technical Data
42ZY66-1257 DC Motor
Reduction ratio | 3.5 | 14 | 17 | 21 | 49 | 61 | 84 | 104 | 126 | 172 | 212 | 294 | 504 |
Number of gear trains | 1 | 2 | 2 | 2 | 3 | 3 | 3 | 3 | 3 | 4 | 4 | 4 | 4 |
Length(L) mm | 32.5 | 39.2 | 39.2 | 39.2 | 46 | 46 | 46 | 46 | 46 | 52.5 | 52.5 | 52.5 | 52.5 |
No-load speed r/min | 1628 | 407 | 335 | 271 | 116 | 93 | 68 | 55 | 45 | 33 | 27 | 19 | 11 |
Rated speed r/min | 1371 | 343 | 285 | 229 | 98 | 79 | 57 | 47 | 38 | 28 | 23 | 16 | 9.5 |
Rated torque N.m | 0.14 | 0.51 | 0.61 | 0.76 | 1.6 | 2.0 | 2.8 | 3.4 | 4.1 | 5.1 | 6.3 | 8.7 | 15 |
N.m Max. permissible load in a short time | 3 | 12 | 12 | 12 | 25 | 25 | 25 | 25 | 25 | 30 | 30 | 30 | 30 |
42ZY66-1277 DC Motor
Reduction ratio | 3.5 | 14 | 17 | 21 | 49 | 61 | 84 | 104 | 126 | 172 | 212 | 294 | 504 |
Number of gear trains | 1 | 2 | 2 | 2 | 3 | 3 | 3 | 3 | 3 | 4 | 4 | 4 | 4 |
Length(L) mm | 32.5 | 39.2 | 39.2 | 39.2 | 46 | 46 | 46 | 46 | 46 | 52.5 | 52.5 | 52.5 | 52.5 |
No-load speed r/min | 1628 | 407 | 335 | 271 | 116 | 93 | 68 | 55 | 45 | 33 | 27 | 19 | 11 |
Rated speed r/min | 1371 | 343 | 285 | 229 | 98 | 79 | 57 | 47 | 38 | 28 | 23 | 16 | 9.5 |
Rated torque N.m | 0.14 | 0.51 | 0.61 | 0.76 | 1.6 | 2.0 | 2.8 | 3.4 | 4.1 | 5.1 | 6.3 | 8.7 | 15 |
N.m Max. permissible load in a short time | 3 | 12 | 12 | 12 | 25 | 25 | 25 | 25 | 25 | 30 | 30 | 30 | 30 |
Motor Characteristic Figure

Online Service