Current Location:
Home
-
Product Center
-
Brushless DC planetary gear reduction motor
-
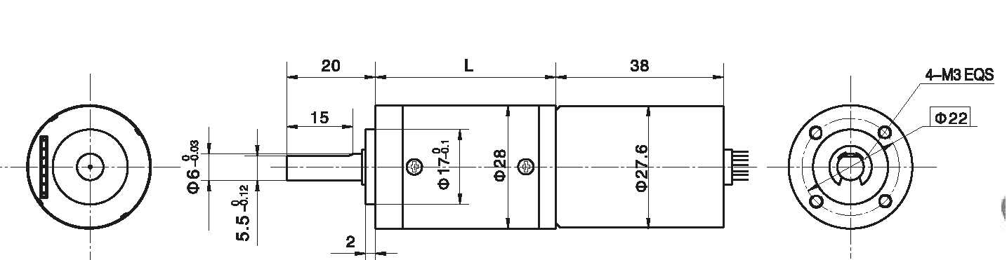
28JXB30K/28ZWNP38
Motor Technical Data
TYPE | Number of poles | Number of phase | Rated voltage VDC | No-load speed r/min | No-load current mA | Rated torque mN.m | Rated speed r/min | Rated current mA | Rated Power W |
28ZWNP38-2431 | 4 | 3 | 24 | 3100 | 180 | 6.9 | 2600 | 250 | 1.87 |
(Voltage Range ): 10-24.5VDC
Brushless Gear Motor Technical Data
28ZY38P-1265 DC Motor
Reduction ratio | 3.7 | 5.2 | 14 | 19 | 27 | 51 | 71 | 100 | 139 | 189 | 264 | 369 | 516 | 720 |
Number of gear trains | 1 | 1 | 2 | 2 | 2 | 3 | 3 | 3 | 3 | 4 | 4 | 4 | 4 | 4 |
Length(L) mm | 31.0 | 31.0 | 40.1 | 40.1 | 40.1 | 49.0 | 49.0 | 49.0 | 49.0 | 57.9 | 57.9 | 57.9 | 57.9 | 57.9 |
No-load speed r/min | 836 | 598 | 221 | 163 | 115 | 61 | 44 | 31 | 22 | 16 | 12 | 8.4 | 6.0 | 4.3 |
Rated speed rAnin | 701 | 502 | 186 | 137 | 96 | 51 | 37 | 26 | 19 | 14 | 9.8 | 7.0 | 5.0 | 3.6 |
Rated torque N.m | 0.023 | 0.032 | 0.078 | 0.11 | 0.15 | 0.26 | 0.36 | 0.50 | 0.70 | 0.85 | 1.2 | 1.7 | 2.3 | 3 |
N.m Max. permissible load in a short time | 1.0 | 1.0 | 3.5 | 3.5 | 3.5 | 7.5 | 7.5 | 7.5 | 7.5 | 9 | 9 | 9 | 9 | 9 |
Wire Diagram


Online Service