CN
Product Center
Current Location: Home - Product Center - Position and velocity sensors - CBM magnetic encoder
CBM magnetic encoder
Product FeaturesEncoder Model and Specifications  Operation EnvironmentWiring Instructions...
  • CBM magnetic encoder

product details
Outline reference diagram
  • Product Features

blob.png

  • Encoder Model and Specifications

      blob.png
  • Operation Environment

blob.png

  • Wiring Instructions

blob.png

blob.png


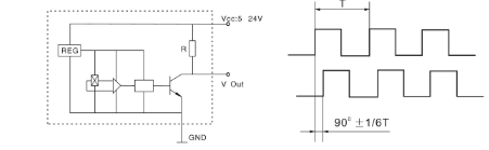
  • Electrical  Characteristics

    blob.png

blob.png


product recommendation
product recommendation
GBM three channels Optical Kit Encoder
View details
GBM two channels Optical Kit Encoder
View details
Online Service