CN
Product Center
Current Location: Home - Product Center - DC motor - 63ZY105
63ZY105
Description of The Product 63MM OD PMDC motor, totally enclosed, used in occasions which requir...
product details
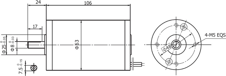
Outline reference diagram
  • Description of The Product 

63MM OD PMDC motor, totally enclosed, used in occasions which require motors with low noise.


  • Motor Technical Data



    TYPE


    Rated 

    voltage 

    VDC


    No-load 

    speed 

    r/min


    No-load 

    current

    A


    Rated 

    speed 

    r/min


    Rated 

    torque 

    mN.m


    Output 

    Power

    W


    Rated 

    current

    A


    Stall 

    torque 

    mN.m


    Stall 

    current

    A

    63ZY105-2420

    24

    2000

    0.25

    1600

    165

    30

    1.8

    760

    7.3

    63ZY105-2430

    24

    3000

    0.35

    2400

    180

    45

    2.2

    790

    11.2

    63ZY105-2450

    24

    5000

    0.50

    3200

    230

    90

    6.0

    920

    15.5



图片11.png

product recommendation
product recommendation
Online Service