CN
Product Center
Current Location: Home - Product Center - Planetary gear reducer - 82JX1200K
82JX1200K
Gear Ratio ParameterGear Ratio(mm) DimensionStage13.7 ~ 766Stage214 ~ 4890Stage3...
Housing materialMetal
Bearing at outputBall bearings
Max.Radial load(20mm from flange)≤400N
Max.shaft axial load≤200N
Radial play of shaft (near to flange)≤0.08mm
Axial play of shaft≤0.4mm
Backlash at no-load≤1.5°
Shaft press fit force, max≤500N


product details
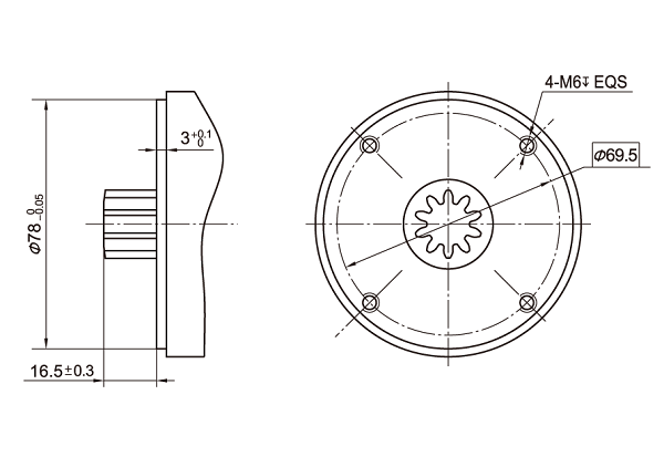
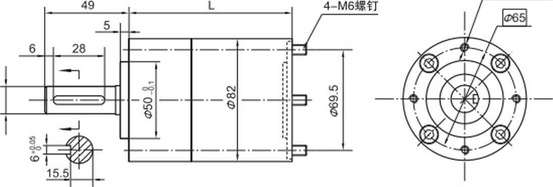
Outline reference diagram
  • Gear Ratio Parameter

Gear Ratio

(mm) Dimension

Stage1

3.7 ~ 7

66

Stage2

14 ~ 48

90

Stage3

50 ~ 329

115


Parameter

Stage1

Stage2

Stage3

Transmission efficiency

90%

81%

73%

Rated tolerance torque

20N.m

60N.m

120N.m

Max momentary tolerance torque

Three times of the rated torque

Operating temperature

-10℃~ +80℃

Operating ambient humidity

20% 〜85%RH

Recommend input speed

≤4000rpm

Input and output direction

Same direction


  • Motor matching scheme

图片18.png

Module

No.of teeth

Stagel

Stage2

Stages

0.9

22

3.7

14

50

19

4.1

15

56



69

16

5

17

64


19

71


22

79



90

10

7

25

94


28

104


32

116


48

133



152



175



195



223



329


图片17.png

product recommendation
product recommendation
72JX850K

Φ72 planetary reducer

Allowable torque range: 15 n.m to 85 n.m


View details
56JX300K

Φ56 planetary reducer

Allowable torque range :3 n.m to 30 N.m


View details
32JX30K

Φ32 planetary reducer

Allowable torque range :0.3N.m to 3.0N.m


View details
36JX30K

Φ36 planetary reducer

Allowable torque range :0.3N.m to 3.0N.m


View details
Online Service