Current Location:
Home
-
Product Center
-
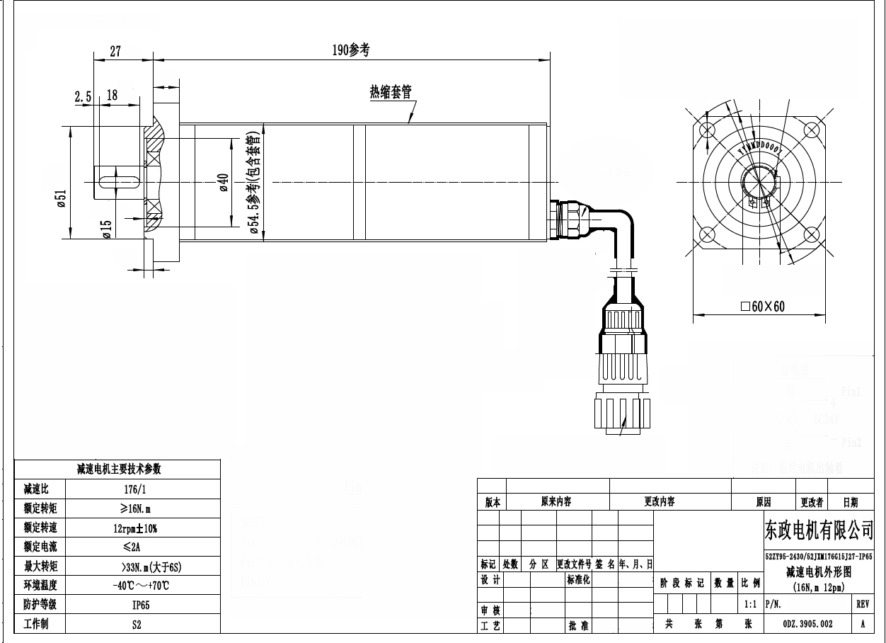
Special motor for solar tracking system
-
52ZY95-2430/52JXM176G
外形参考图

Online Service